Skip to main content

Articles

Archive / Current Issue

H2Tech: Tech Spotlight

H2 PRODUCTION

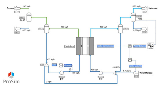
ProSim develops electrolyzer module to optimize the design and maximize efficiency of H2 production units

ProSim has added an electrolyzer module in the new version of its ProSimPlus software. By combining this module with other equipment from the ProSimPlus library, users can simulate and optimize the entire process of hydrogen (H2) production by electrolysis of water. Depending on the available data, the user can choose a detailed model of the electrolysis operation. 

H2 is mainly produced from fossil fuels (e.g., steam reforming and gasification of hydrocarbons), which limits the interest in H2 as a clean energy source. In contrast, electrolysis of water represents the main alternative for decarbonized H2 production. The advantage of ProSim’s new electrolyzer module is its ability to rigorously simulate an electrolysis process by offering a flexible modeling approach, depending on the data available to the user:

  • A first approach quickly establishes the material and energy balances, considering possible recycling of the electrolyte solution, purges, equilibration lines and determining the necessary makeup streams. 
  • A more detailed approach uses rigorous models to calculatebased on operating conditions and technological characteristicsall operating parameters: efficiency, electrical characteristics (e.g., voltage, current, electrical power) and voltage-current characteristic curves. 

The new version of ProSimPlus can process development by simulating the operation of production units on laboratory, pilot or industrial scales; optimize operating conditions to meet production specifications and energy constraints; and automate the generation of specification sheets for equipment sizing (e.g., electrolyzer, heat exchangers, pumps, compressors, separation tanks). 

The electrolysis module available in ProSimPlus allows for the representation of the three main electrolyzer technologies: 

  • Alkaline—Electrolysis cells are separated by a diaphragm and immersed in an electrolytic solution 
  • Proton exchange membrane (PEM)—Cells are separated by a solid electrolyte made of a polymer membrane providing conduction of H+ protons 
  • Solid oxide electrolysis cell (SOEC)—Cells are separated by a solid electrolyte made of a ceramic membrane providing conduction of oxygen (O2)-ions. 

H2U Technologies demonstrates commercial-scale non-iridium PEM electrolyzer

H2U Technologies has successfully demonstrated the first non-iridium PEM electrolyzer for commercial H2 production. At the end of 2022, H2U proved the efficacy of its non-iridium catalyst materials in small-scale electrolyzer stacks. Since then, the company has scaled this technology to a 200-kilowatt (kW) electrolyzer system for in-house testing and demonstration. This significant achievement is a crucial step toward H2U's goals of alleviating iridium supply chain constraints on the growing electrolyzer industry and reducing the costs of green H2 production. 

During the in-house demonstration of its 200-kW iridium-free electrolyzer system, the H2U team collected operational data to further validate the durability and performance of novel non-iridium catalysts at the commercial scale. The company will apply those lessons learned to the design review and construction of its first external proof-of-concept units set to ship at the end of this year. 

H2 EQUIPMENT

Ballard to scale production and reduce costs of next-generation bipolar plates 

Ballard Power Systems has announced its plan to reduce the costs and scale production capacity of next-generation, proprietary graphite bipolar plates, including introducing a disruptive manufacturing technology. 

This project is the logical progression after Ballard completed two important milestones: the development of next-generation, thin flexible graphite bipolar plates and an expansion of membrane electrode assembly (MEA) manufacturing capacity in Canada as part of Ballard’s “3 by 3” stack cost reduction program. After MEAs, bipolar plates are the next largest cost item in a fuel cell stack, and Ballard expects the implementation of this project, including next-generation plate manufacturing processes and the introduction of new lower-cost material suppliers, to result in cost savings of up to 70%, following commissioning expected in late 2025.

Ballard’s next-generation, thin flexible graphite bipolar plates significantly reduce plate materials while enabling high-power density stacks, which are critical for certain market applications. Graphite bipolar plates are the optimal choice for Ballard’s heavy-duty mobility markets as they offer long durability, re-usability at stack end-of-life, and high-power density while offering the lowest plate cost at current and scaled volumes. 

Beyond product cost savings, the project will increase Ballard’s plate manufacturing capacity by approximately 10 times while significantly improving graphite and resin material yield and reducing production times. Ballard has also developed several novel manufacturing processes that enable full automation of the bipolar plate production processes, resulting in substantially improved quality throughput, reduced energy demand and the elimination of water consumption from plate manufacturing. These innovations are expected to be replicable in any future expansion of Ballard’s global bipolar plate production footprint. 

Trelleborg launches a range of advanced H2 sealing materials

Trelleborg Sealing Solutions has launched the H2Pro™ range of sealing materials for every application of the H2 value chain, including a new ethylene propylene diene monomer (EPDM) rubber for high-pressure environments across a wide range of temperatures and a unique thermoplastic polyurethane (TPU) for very low temperatures. 

Designed to accelerate innovation for sustainable technology, H2Pro™ provides solutions for H2 production, transport, storage and end-use challenges. The H2 sealing materials are suitable for high pressures, low temperatures and permeation resistance, enabling them to better withstand rapid gas decompression while demonstrating excellent wear and extrusion properties. 

The range includes two new materials specially engineered for H2 applications. H2Pro™ EBT25 is the new EPDM for high-pressure environments across a wide range of temperatures, and Zurcon® H2Pro™ ZLT is the unique TPU for very low temperatures. 

The challenges include permeation and leakage, as H2 is the simplest element with the smallest molecular structure. Another is rapid gas decompression (RGD), where H2 in a high-pressure system can be absorbed into a seal. If the pressure in the system is suddenly relieved, gas trapped in the seal can expand, potentially causing the seal to blister and crack as the gas tries to escape. Finally, seals for different H2 systems must withstand tough environments, including high pressures of up to 1,000 bar/14.34 psi (e.g., high-pressure valves) and extremely low temperatures down to –250°C/–418°F (e.g., liquid H2 storage and transportation). 

All H2Pro™ materials are designed specifically for excellent application-specific wear and extrusion properties and are validated to key industry standards in a range of challenging conditions typical of H2 environments. Trelleborg uses advanced testing rigs to assess materials for O2 and ozone aging, H2 compatibility, leakage, permeation, the ability to withstand RGD and compliance with relevant international standards. 

Zurcon® H2Pro™ ZLT has very low permeability and high resistance to RGD. It has a wide operating service temperature range, outstanding low-temperature capabilities, displays excellent extrusion and wear-resistance properties, and complies with Regulation (EC) 79/2009, SAE J2600 and ANSI CHMC 2. It can be produced as O-Rings for static sealing on valves, filters, refueling nozzles, pumps, connectors and fittings, and as U-Cups for static and dynamic applications such as valve stems, actuators and regulators. 

H2Pro™ materials are also available in a range of other compounds and seal profiles, including:

  • Turcon® polytetrafluoroethylene and thermoplastic compounds for use as Varilip® lip seals 
  • V-Stack seals for use in static and dynamic applications with cryogenically compressed H2 and liquid H2 (LH2) 
  • FKM seals for blue H2 
  • Lower-hardness EPDM compounds and silicone compounds for lower-pressure applications 
  • Metal seals for static LH2 applications 
  • Wear-resistant composite bearings and piston rings for compressor applications. 

Nedstack Fuel Cell Technology receives AiP for containerized fuel cell systems from Bureau Veritas

Nedstack Fuel Cell Technology’s PemGen®600 containerized fuel cell system has received approval in principle (AiP) from Bureau Veritas. This approval signifies a major milestone in advancing clean and sustainable power generation in the maritime industry. 

The PemGen®600 fuel cell system, powered by H2, is specifically engineered to deliver efficient and reliable power generation while operating without emissions. The following key items characterize the PemGen®600 fuel cell system:

  • Power generation. The PemGen®600 fuel cell system provides a robust and sustainable energy solution for marine vessels, ensuring a reliable power supply, and is engineered to generate a high-power output. The system has been based on the company’s proven technology and over two decades of experience in the industrial application of low-temperature PEM fuel cell technology. 
  • Zero emissions. The PemGen®600 fuel cell system utilizes H2 as fuel and produces no harmful emissions, contributing to the decarbonization efforts of the maritime industry. 
  • Safe to use. The Nedstack safety concept has a proven track record and is based on a good ventilation and high dilution philosophy. A range of projects adopting this philosophy have already been delivered in maritime and industry, including the PemGen®600. 

Intlvac Thin Film enters the fuel cell industry with vacuum systems

Intlvac Thin Film, a Canadian advanced manufacturing company with a 30-yr history in the thin film deposition and materials science industry with clients in the aerospace and defense, medicine, telecommunications, energy, optics and photonics industries, has begun selling vacuum systems into the fuel cell research and manufacturing industries. 

The company's plasma-enhanced chemical vapor (PECVD) and physical vapor deposition (PVD) technology can reduce the amount of expensive and scarce noble metals used in fuel cell construction by up to 90%. Intlvac has decades of experience focusing on developing and deploying PEVCD and PVD technology. The company’s technologies can deposit very thin layers of noble metals without compromising the fuel cell's performance. This massive reduction in scarce noble metals, specifically palladium and platinum, drives down the cost and is a sustainable solution for the volume deployment of fuel cell technology in multiple applications.

H2 APPLICATIONS INNOVATION

REN adapts equipment to introduce green H2 in the gas transmission network 

Redes Energéticas Nacionais (REN) has embarked on another phase of introducing H2 into the Portuguese National Gas Transmission Network (NGTN) by remodeling chromatographsdevices that measure the quality of the gas transmitted in the network. All 16 existing chromatographs in the network are expected to be adopted by the end of the year. 

This action by REN is crucial to obtaining certification in 2023, allowing for the reception and transmission of up to 10% green H2 in the NGTN during the initial phase. REN's intervention reflects the company's commitment to adapting the infrastructure of NGTN, REN Armazenagem and REN Portgás to create the necessary technical conditions to meet the decarbonization goals defined by the Portuguese government. 

This operation follows the technical studies initiated in 2022 in the framework of the H2REN program. These initial modifications will undergo a period of observation and performance monitoring during the initial phase, using conventionally tele-transmitted data to dispatch and remote access. The Gas Operation Area is implementing the project, with contributions from the Renewable-Gas Planning, Engineering and Innovation, and Global Technical Management areas of the Portuguese National Gas System. 

These modified chromatographs will also significantly reduce the consumption of helium in the analysis by adding argonhelium is a scarce, non-renewable gas essential for scientific research and used in technologies such as nuclear magnetic resonance and mass spectrometry, as well as in the production of optical fibers and computer chips. Aligned with European Union policies, decarbonizing gas infrastructure is one of the strategic objectives of Portuguese energy policy.

Pamesa and eCombustible to launch carbon-free, H2-based fuel

The Pamesa Group is using a H2-based fuel to replace natural gas in its production process in partnership with eCombustible Energy. This fuel is completely free of carbon emissions. The Pamesa Group plans to implement this fuel in all its operations. eCombustible is a new carbon-free fuel generated through an improved electrolysis process and with significantly higher production efficiency than any other electrolysis technology. 

This energy is generated in equipment installed in the same plants as the Pamesa production centers, so it does not require transportation or distribution. As a result, the carbon emissions associated with the lifecycle of eCombustible is further reduced compared to that of conventional fuels. The fuel is produced using modules, which allows it to be configured according to each client's specific requirements. In addition, it can be used in existing equipment with little or no modifications to the current machinery.

With the support of eCombustible, Pamesa achieves several major milestones:  the first plant of its kind globally that can operate independent of natural gas; a more efficient solution than existing H2 alternatives, including conventional green H2; and remaining 100% carbon-free at a more competitive price than natural gas.H2T